◆ Modèle: y¨-ml y¨-mf y¨-mg y¨-mz y¨-mk y¨-mn y¨-ms
◆ Application: En raison de la structure de mesure indirecte, le manomètre de diaphragme convient à la mesure de la pression des liquides, des gaz ou des solides d'écoulement granulaire avec une viscosité élevée, facile à cristalliser, une forte corrosion et une température élevée. Le diaphragme d'isolement a une variété de matériaux pour s'adapter à une variété de milieux corrosifs différents.
Ces instruments sont principalement utilisés dans les fibres chimiques, les fibres synthétiques, le pétrole, la teinture, l'alcali, l'acide, la nourriture, la médecine, la construction, l'exploitation minière, la fusion et d'autres industries.
La tête de jauge de ce type d'instrument peut être utilisée dans une variété de séries: manomètre général, manomètre résistant aux chocs, une variété de manomètres de contact électrique, une variété de manomètres de contact électrique résistants aux chocs, d'émetteur de pression, de manomètre à distance, de manomètre de pression numérique, de contrôleur de pression et ainsi de suite.
◆ Principe de structure:
Cet instrument est une mesure indirecte. Déformation du diaphragme d'isolement sous la pression du milieu mesuré, le liquide d'étanchéité est sous pression et la pression est transmise à la pression.
Le liquide d'étanchéité est sous pression et la pression est menée à l'instrument de détection, qui montre la valeur de la pression moyenne mesurée.
◆ Paramètres techniques :
| Modèle de tête de compteur | Divers types d'instruments de pression, émetteurs de pression, contrôleurs de pression, etc. | |||
| Classe de précision | 1.6 ; 2.5 | |||
| Classe de précision ( MPA ) | 0 ~ 0,1 0 ~ 0,16 0 ~ 0,25 0 ~ 0,4 0 ~ 0.6 0 ~ 1 0 ~ 1.6 0 ~ 2.5 0 ~ 4 0 ~ 6 0 ~ 10 0 ~ 16 0 ~ 25 0 ~ 40 | |||
| Diaphragme | surnom | Matériel | surnom | Matériel |
| 1 | 0cr18ni12mo2 | 5 | Hastelloy C (H276C) | |
| 2 | Sus304 | 6 | MONEL ALLIAG (CU30NI70) | |
| 3 | SUS316 | 7 | Tantalum (TA) | |
| 4 | SUS316L | 8 | Fluoroplastique (PTFE) | |
| Matériau d'isolateur | 1CR18NI9; 304; 316; 316L; F4; PVC, etc. | |||
| Matériau du joint d'étanchéité | NBR; Caoutchouc en silicone médical; Ptfe; Graphite; Fluoroélastomère; etc. | |||
| Remplissage de liquide de conduction | Huile de silicone de méthyle, huile végétale, glycérine, huile fluorée, etc. | |||
| effet de température | Étant donné que l'expansion thermique du liquide conducteur et la rigidité du diaphragme sont liées à la température, la valeur d'erreur est de 0,1% / ° C lorsque la température de fonctionnement s'écarte de 20 ± 5 ° C. | |||
| protection contre la corrosion | Cette performance comprend les caractéristiques de corrosion de l'environnement et le milieu de mesure, et le matériau de l'isolateur, la feuille de diaphragme et la rondelle d'étanchéité peuvent être sélectionnés en fonction des conditions d'utilisation. | |||
| différence de niveau | Gauge de pression du diaphragme connecté au tuyau dans l'installation Si le point de mesure et le manomètre sont à différentes hauteurs, sa différence de niveau de liquide générée par la différence de pression △ P affectera la valeur mesurée de l'instrument, la formule est: △ P = gravité spécifique de la différence de niveau liquide et liquide de scellant. | |||
| Normes de mise en œuvre | JB / T 8624 | |||
| Remarque: 1, le thread du connecteur peut être personnalisé en fonction des exigences de l'utilisateur; 2 、 La connexion de la bride peut être personnalisée en fonction des exigences de l'utilisateur Standard de la bride. | ||||
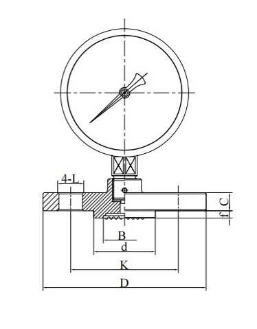
◆ Schéma de taille et d'installation du type d'isolateur:
| (ML) Interface filetée | (Mf) bride de visage ouvert |
























