◆ Modèle: YJY100 YJY150
◆ Utilisation: la pression absolue fait référence à la pression supérieure à la pression absolue zéro avec une pression absolue zéro (vide absolu) comme référence. La valeur de pression absolue peut être exprimée par la formule suivante:
Valeur de pression absolue = Valeur de vide (pression négative) Valeur de pression atmosphérique
Le manomètre absolu est principalement utilisé pour surveiller ou mesurer la pression absolue dans certains équipements à vide (par exemple, les machines d'emballage à vide, les équipements pour surveiller la pression de condensation et la pression de vapeur du liquide, etc.).
◆ Pression de travail: la charge statique est utilisée jusqu'à 3/4 de la valeur limite supérieure de la mesure, la charge d'échange est utilisée jusqu'à 2/3 de la valeur limite supérieure de la mesure et une pression de courte durée est utilisée jusqu'à la valeur limite supérieure de la mesure.
◆ Paramètres techniques :
| numéro de modèle | Yjy100 | Yjy150 | |
| Diamètre nominal | Φ 100 | Φ 150 | |
| Formulaire d'installation | Ⅰ | * | * |
| Ⅱ | * | * | |
| Ⅳ | * | * | |
| Ⅵ | * | * | |
| Fil de connecteur | M20 × 1.5 | ||
| Classe de précision | 0.4 ; 1.0 ; 1.6 ; 2.5 | ||
| Plage de mesure ( MPA ) | 0 ~ 0,1 0 ~ 0,16 0 ~ 0,25 0 ~ 0,4 0 ~ 0,6 0 ~ 1 0 ~ 1.6 0 ~ 2.5 0 ~ 4 0 ~ 6 0 ~ 10 | ||
| Conditions d'utilisation environnementales | Temps: -40 ℃~ 70 ℃ (Classe de précision: 0.4 ) -50 ℃~ 160 ℃ (Classe de précision: 1.0 ~ 2.5 ) humidité relative : ≦ 80% | ||
| vibration | V · H · 2 ; V · H · 3 | ||
| classe de protection | IP65 | ||
| Normes de mise en œuvre | | ||
| Remarque: 1. Les threads conjoints peuvent être personnalisés en fonction des besoins des utilisateurs. | |||
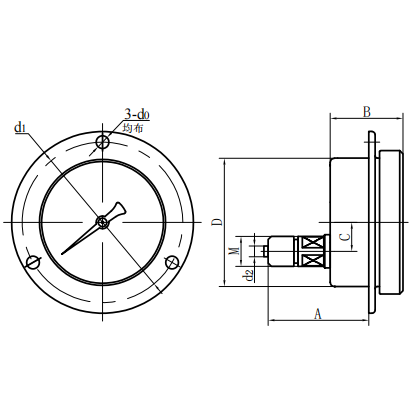
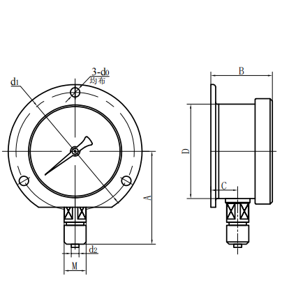
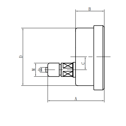
◆ Dimensions externes:
|
Type direct radial (ⅰ) | Type direct excentrique axial (ⅱ) |
| Type direct concentrique axial (iii) | Type d'insert excentrique axial (iv) |
| numéro de modèle | Dimensions globales ( MM ) | |||||||
| UN | B | C | D | d0 | d1 | d2 | M | |
| Yjy100 -Ⅰ | 90 | 48 | 15 | Φ 100 | / | / | Φ 6 | M20 × 1.5 |
| Yjy100 -Ⅱ | 83 | 44 | 34 | Φ 100 | / | / | Φ 6 | M20 × 1.5 |
| Yjy100 -Ⅳ | 68 | 44 | 34 | Φ 100 | Φ 6 | Φ 118 | Φ 6 | M20 × 1.5 |
| Yjy100 -Ⅵ | 90 | 48 | 15 | Φ 100 | Φ 6 | Φ 118 | Φ 6 | M20 × 1.5 |
| Yjy150 -Ⅰ | 117 | 51 | 16.5 | Φ 150 | / | / | Φ 6 | M20 × 1.5 |
| Yjy150 -Ⅱ | 92 | 52 | 55 | Φ 150 | / | / | Φ 6 | M20 × 1.5 |
| Yjy150 -Ⅳ | 69 | 52 | 55 | Φ 150 | Φ 6 | Φ 165 | Φ 6 | M20 × 1.5 |
| Yjy150 -Ⅵ | 117 | 53 | 28 | Φ 150 | Φ 6 | Φ 165 | Φ 6 | M20 × 1.5 |
























