◆ Paramètres techniques:
| Modèle | CYB100 | CYB150 |
| Diamètre nominal | Φ 100 | Φ 150 |
| Type de montage | Monté convexe radial Interfaces parallèles | * | * |
| Monté convexe radial Interface à huit caractères | / | * |
| Type de rinçage excentrique excentrique | / | * |
| Plage de mesures | Pression différentielle Plage de mesures Kpa | Nominal Pression de travail Kpa | Pression différentielle Plage de mesures MPA | Nominal Pression de travail MPA |
| 0 ~ 10 | 60 | 0 ~ 0.16 | 1 |
| 0 ~ 16 | 100 | 0 ~ 0.25 | 1.6 |
| 0 ~ 25 | 160 | 0 ~ 0.4 | 2.5 |
| 0 ~ 40 | 250 | 0 ~ 0.6 | 4 |
| 0 ~ 60 | 400 | 0 ~ 1 | 6 |
| 0 ~ 100 | 600 | 0 ~ 1.6 | 10 |
| | | 0 ~ 2.5 | 10 |
| Classe de précision | 2.5 |
| Filetages | M20 × 1.5 |
| Utiliser la température ambiante | -40 ℃~ 70 ℃ |
| La température du milieu à utiliser | ≤ 60 ℃ |
| Évaluation de la résistance aux vibrations | V · H · 3 |
| Notation des enceintes | Ip54 |
| poids | Environ 1,0 kg |
| Matériel du système d'impulsion | 0cr17ni12mo2 、 SUS316 |
| boîtier et autres matériaux | 1CR18NI9 、 Sus304 |
| Appliquer la norme | JB / T 12015-2014 |
| Note: 1 . Le thread conjoint peut être personnalisé en fonction des besoins des utilisateurs. |
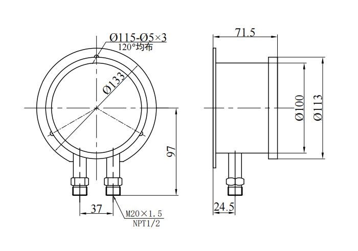
◆ Taille d'apparence et d'installation:
| CYB100 Interface parallèle | CYB150 Interface parallèle |
| CYB150 Interface bazi | CYB150 Excentricité axiale |
◆ Principe structurel:
L'instrument adopte une structure de tube à double bourdon, c'est-à-dire que deux tubes Bourdon sont installés en positions symétriques des deux côtés du support "I". Les sections supérieures et inférieures du support "I" sont l'extrémité mobile et l'extrémité fixe respectivement, et le milieu est connecté par une pièce à ressort: les deux tubes de Bourdon sont respectivement en parallèle: le mécanisme de transmission des engrenages est directement installé à l'extrémité fixe de la tige du support, et est connecté à la fin de la tige fixe, et est connecté à la fin de la bûche et est connecté à la contre-frouss est directement fixé sur le mécanisme de transmission des engrenages.
◆ Principe de travail: En fonction de l'élément de détection de pression, deux tubes de Bourdon avec la même rigidité sont utilisés, ils sont donc obligés de produire respectivement la même force concentrée sous le même moyen mesuré sur l'action de l'égalité Position nulle.
Lorsque différentes pressions sont appliquées (généralement l'extrémité à haute pression est supérieure à l'extrémité à basse pression) , la force des deux tubes de Bourdon agissant sur le support mobile n'est pas égale, de sorte que le déplacement correspondant est généré respectivement et que le mécanisme de transmission de l'engrenage est défini et amplifié, et que la valeur de pression différentielle entre les deux est indiquée après que le pointeur soit défini.
◆ Précautions:
1. L'instrument doit être installé verticalement à une position qui est au même niveau que le point de mesure, sinon l'erreur supplémentaire causée par la différence de niveau liquide doit être prise en compte.
2 . Le connecteur d'instrument marqué " H " ou " "est l'extrémité haute tension, et celle marquée" avec " L " ou " - "est l'extrémité basse tension, qui ne peut pas être inversée lors de l'installation.
3 . Lorsque l'instrument mesure la pression différentielle, la valeur de pression différentielle peut être utilisée à l'intérieur 75% de la limite supérieure de la plage d'échelle, et la valeur de pression statique maximale du système ne doit pas dépasser la valeur de pression statique maximale spécifiée par l'instrument.
4. Comme le montre la figure 4 , la soupape d'équilibre (sécurité) (valve 1 ) doit être réglé devant les ports d'entrée à haute pression et basse pression de l'instrument pendant l'installation, et doit être en position ouverte, et la soupape d'équilibre doit être fermée après la vanne 2 et vanne 3 sont tous ouverts.
5 . Avant utilisation, l'instrument doit vérifier soigneusement le degré d'érosion causé par le milieu mesuré, afin de ne pas causer de dommages à la corrosion précoce au tube de Bourdon.
◆ Instructions de commande:
Lors de la commande de l'instrument, l'utilisateur doit indiquer:
1. Modèle et nom, plage de pression différentielle, pression statique maximale, unité de mesure, niveau de précision;
2. Ajustement et matériau de tube de Bourdon;
3. Taille du fil du joint: conventionnel M20 × 1.5 , Npt1 / 2 (ou désignation du client);
4. Remarque: Trois groupes de vannes peuvent être personnalisés pour le compte d'utilisateurs (vannes 1 ~ 3 en figure 4 )