◆ Modèle: YEB60 YEB100 YEB150
◆ Utilisation: Cette série d'instruments convient à la mesure de la faible micro-pression des gaz sans danger d'explosion, non-cristallisation, non-condensation et certains gaz corrosifs. La coquille d'instrument et le système de guide de pression sont en 1CR18NI9, et la boîte à membrane est composée de 0CR17NI12MO2, 316, 316L.
◆ Paramètres techniques:
| Numéro de modèle | Yeb60 | Yeb100 | Yeb150 | |
| Diamètre nominal | Φ 60 | Φ 100 | Φ 150 | |
| Type de montage | Ⅰ | * | * | * |
| | Ⅱ | / | * | * |
| | Ⅲ | * | / | / |
| | Ⅳ | / | * | * |
| | Ⅴ | * | / | / |
| Fil de connecteur | M14 × 1.5 | M20 × 1.5 | ||
| Classe de précision | 1.6 ; 2.5 | |||
| Plage de mesure ( kpa ) | -40 ~ 0 -25 ~ 0 -16 ~ 0 -10 ~ 0 -6 ~ 0 -4 ~ 0 0 ~ 4 0 ~ 6 0 ~ 10 0 ~ 16 0 ~ 25 0 ~ 40 -2 ~ 2 -3 ~ 3 -5 ~ 5 -8 ~ 8 -12 ~ 12 -20 ~ 20 | |||
| Conditions d'utilisation environnementales | Temp : -25 ℃~ 55 ℃; Humidité relative : ≤ 80 % | |||
| Vibration | V · H · 2 | |||
| Matériau de boîte à membrane | 0cr17ni12mo2 、 SUS316 、 SUS316L | |||
| Logement, matériau de connecteur | 1CR18NI9 、 Sus304 | |||
| Classe de protection | IP65 | |||
| Normes de mise en œuvre | JB / T 9274 | |||
| Remarque: 1. Les threads conjoints peuvent être personnalisés en fonction des besoins des utilisateurs. | ||||
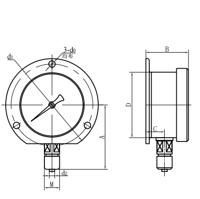
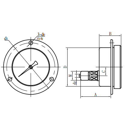
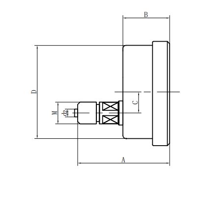
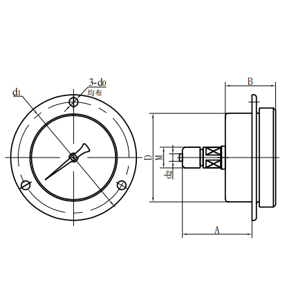
◆ Dimensions externes:
| Type direct radial (ⅰ) | Type direct excentrique axial (ⅱ) |
| Type direct concentrique axial (iii) | Type d'insert excentrique axial (iv) |
| Type d'insertion concentrique axiale (v) | Type convexe radial (vi) |
| Numéro de modèle | Dimensions globales ( MM ) | ||||||
| UN | B | C | D | E | d2 | M | |
| Yeb60 -Ⅰ | 58 | 35 | 11 | φ 60 | 5 | φ 4.5 | M10 × 1 |
| Yeb60 -Ⅲ | 58 | 35 | / | φ 60 | 5 | φ 4.5 | M10 × 1 |
| | | | | | | | |
| Yeb100 -Ⅰ | 93 | 50 | 16.5 | Φ 100 | 16.5 | φ 6 | M20 × 1.5 |
| Yeb100 -Ⅲ | 85 | 50 | / | Φ 100 | 16.5 | φ 6 | M20 × 1.5 |
| | | | | | | | |
| Yeb150 -Ⅰ | 118 | 53 | 18.5 | φ 150 | 19 | φ 6 | M20 × 1.5 |
| Yeb150 -Ⅲ | 96 | 53 | / | φ 150 | 19 | φ 6 | M20 × 1.5 |
| | | | | | | | |


















