◆ Modèle: Yzs102
◆ Modèle: Yzs102
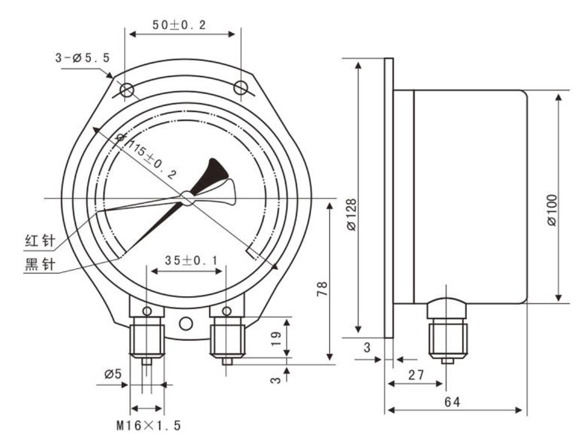
◆ Paramètres techniques:
| Modèle | Yzs102 |
| Diamètre nominal | Φ 100 |
| Filetages | M20 × 1.5 ; G3 / 8 |
| Classe de précision | 1.6 |
| Plage de mesures ( kpa ) | 0 ~ 1000 0 ~ 1200 0 ~ 1600 0 ~ 2500 |
| Conditions d'utilisation environnementales | Température: -5 ° C ~ 60 ° C Humidité relative: pas plus que 80%. |
| Effets de la température | (Déviation par rapport 20 ° C ± 5 ° C lors de l'utilisation) n'est pas plus grand que 0,4% / 10 ° C |
| poids | 0,7 kg |
| Évaluation de la résistance aux vibrations | V · H · 3 |
| Protection entrant | Ip54 |
| Appliquer la norme | GB / T1226 |
| Note: 1 . Le thread conjoint peut être personnalisé en fonction des besoins des utilisateurs. | |
◆ Dimensions extérieures:
Wuxi Huihua Special Instrumentation Co., Ltd. was established in December 2001, the registered capital is 5 million yuan, the existing staff of more than 50 small and medium-sized joint-stock enterprises.
La société est spécialisée dans la production de divers types d'instruments spéciaux, alternative à la localisation d'instruments importés. Autour de la pression sismique, jauge de pression de contact électrique sismique, manomètre en acier inoxydable, manomètre à la corrosion en diaphragme, manomètre marin et autres séries comme principaux produits. Sur la base des instruments sur le terrain, nous avons développé divers types d'émetteurs de pression, des contrôleurs de pression, des manomètres numériques, etc. Il y a plus de 30 séries et 3000 spécifications. Les produits d'approvisionnement sont largement utilisés dans le pétrole, le produit chimique, le papier, la métallurgie, l'exploitation minière, les fibres chimiques, l'énergie électrique, la nourriture, la protection de l'environnement, le caoutchouc et le plastique, l'hydraulique et de nombreuses autres industries, et plus de 2000 clients nationaux pour établir une relation amicale avec les grandes et moyennes entreprises de taille moyenne pour établir un bon partenariat, ont remporté la majorité des prothèses d'utilisateurs et une image de marque d'entreprise.
Comme Série YZS Double-aiguilles à double tube à tube Manufacturers, des processus stricts de contrôle de la qualité sont en place dans tout le système de fabrication pour garantir que une qualité cohérente est produite.
Les manomètres font partie des instruments les plus fondamentaux dans tout environnement industriel, mécanique ou de processus. Ils fournissent une mesure en temps réel de la pression du fluide ou du gaz, permettant a......
EN SAVOIR PLUSComprendre les principes fondamentaux des manomètres Manomètres sont des instruments essentiels utilisés dans d'innombrables industries pour mesurer et afficher la pression des gaz ou des liquides dans u......
EN SAVOIR PLUSLes transmetteurs de pression différentielle constituent des instruments essentiels dans les systèmes modernes de contrôle, de mesure et de surveillance des processus industriels. Ces appareils mesurent la différence ......
EN SAVOIR PLUS