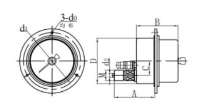
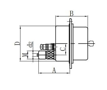
◆ Modèle: Yxch100 yxch150
◆ Application: Ce type d'instrument convient à la mesure de la pression des liquides, des gaz ou des vapeurs sans risque d'explosion, sans cristallisation, sans solidification et aucun effet corrosif sur les alliages de cuivre et de cuivre. Lorsqu'il est équipé d'un système de circuit approprié, il peut envoyer une alarme ou un contrôle automatique au système de pression à mesurer et à contrôler.
◆ S'il est nécessaire de fabriquer un manomètre de type choc, il peut être rempli de glycérine ou d'huile de silicone.


















